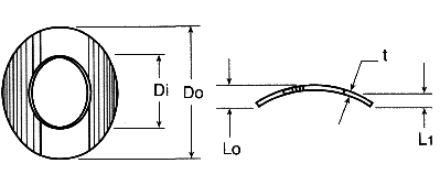
Hajlított rugós alátét

hajlitott.pngDo = Külső átmérő (Max)

Di = Belső átmérő (Min)

t = Vastagság

L0 = Terheletlen magasság (referenciaméret)

L1 =Terhelt magasság

P1 =Terhelés L1 magasságnál (N) (+/-15%)

Dh = Ajánlott illeszkedő furatméret (min.)

Dr = Ajánlott illeszkedő csapméret (max.)

Gondosan megtervezett hullámos rugós alátétek számos sztenderd méretben érhetők el. Ezek az alátétek ötvözetlen rugóacélból készültek, de néhány méret rozsdamentes acélból is elérhető. Sorjázott és minden gyártási feszültségtől mentes kivitellel rendelkeznek. A hajlított alátétek könnyed nyomóterhelést fejtenek ki és gyakran alkalmazzák tengelyirányú játék kiegyenlítésére.

Karakterisztika

10-80% közötti alakváltozás tartományban közel lineáris.

 

Felületkezelés

Mindkét anyagminőség esetében tisztított, sima felület. Külön kívánságra, mennyiségi igény esetén, a nagy széntartalmú acél alátétek mechanikusan kezelhetők a hidrogénridegedés, és így a hidegtörés csökkentése érdekében.

 

Anyagminőség

Rozsdamentes acél ('S' utótaggal jelölve)

301 kereskedelmi minőség ASTM-A666 szerint (kémiai értelemben)

 

Magas széntartalmú acél

1074-1095 kereskedelmi minőség ASTM-A684 szerint